Что такое робот-пылесос
Робот-пылесос — это бытовая техника, которая убирает дом или квартиру без малейшего вмешательства человека. Питание устройства осуществляется от аккумуляторной батареи, которая заряжается по определенной схеме (входит в комплект и заряжается стандартным электрическим способом).
Колесики и датчики дают пылесосу передвигаться по комнате, обходить препятствия и собирать мусор из внутреннего контейнера. В различных моделях устройство может иметь и другие функции, скажем, влажную уборку или передачу фото с камеры на телефон владельца. В 1997 году компания Электролюкс представила первый робот-пылесос, а в 2002 он уже поступил в продажу.

Хороший робот-пылесос
Пылесос выпускается брендом ECOVACS и получила название DEEBOT OZMO T8 AIVI. Это топовая модель в своей линейке, состоящей их трех моделей. От того она становится еще более интересной, так как кроме большого количества функций ее так же оснастили еще и искусственным интеллектом.
Уже по коробке видно, что прибор внутри серьезный.
Благодаря своим возможностям пылесос не просто может, как другие модели замечать, что перед ним что-то находится, но и определять, что именно перед ним. Он может определить, что на полу перед ним лежат тапочки, провода или другие предметы. Когда он будет знать, что это, он отметит его на карте помещения, а заодно примет решение, что делать дальше — объехать, или оттолкнуть в сторону, чтобы этот участок пола тоже был убран. Кроме того, что робот сам способен учиться, обновление его программного обеспечения позволяет так же вносить в память новые предметы, совершенствуя тем самым его работу.
Внутри все упаковано очень плотно и продумано.
Виды роботов пылесосов
Общая конструкция роботов-пылесосов дополняется различными функциями, отличающими модели друг от друга. У них круглая форма, но разный диаметр нижней грани, составляющий от 250 до 300 мм. Высота пылесоса варьируется в пределах 80-120 мм. Для управления применяется пульт или смартфон с установленным приложением.
Аппараты могут различаться по целевому назначению, например, для сухой или влажной уборки. Поэтому их конструкция тоже отличается, в зависимости от наличия или отсутствия емкости для моющих средств.
Робот пылесос для сухой уборки
Подобные приборы первыми появились на рынке автоматических устройств. Их работа во многом осуществляется по принципу обычного пылесоса. Щетки точно так же захватывают с поверхности пыль и грязь. Далее, под действием воздушного потока, весь мусор попадает в контейнер и оседает в нем. Пылесборник периодически очищается от накопившихся загрязнений.
В качестве пылесборника используются пластиковые контейнеры или мешки. Первый вариант более долговечный, оборудован сменными фильтрами, которые просто выбрасываются после использования.
Для влажной уборки
Робот-пылесос производит влажную уборку в несколько этапов. Предварительно моющая жидкость смешивается с водой и помещается в пластиковую емкость. Вначале осуществляется распыление моющей смеси на загрязненную поверхность. Далее, эти места растираются специальными щетками. В завершении выполняется всасывание размокшей грязи в пластмассовый контейнер с фильтрами.
Окончательная чистота наводится путем уборки остаточной влаги силиконовым или резиновым скребком. В результате, поверхность становится абсолютно сухой и чистой.
Комбинированные модели
Устройства смешанного типа могут выполнять как сухую, так и влажную уборку. В основном такие модели используются для очистки линолеума, ламината, паркетных и кафельных полов. Чистятся и ковровые покрытия с длиной ворса не более 3-4 мм. Для влажной уборки используются салфетки из микрофибры. Во время движения они собирают мелкую пыль и оттирают грязевые пятна.
Недостатком таких конструкций является меньший объем контейнера для пыли, незначительная площадь салфеток. Поэтому такие роботы-пылесосы целесообразно использовать в небольших помещениях – от 10 до 30 м². В ходе уборки требуется чаще промывать салфетку и очищать пылесборник.
Дополнительные функции роботов-пылесосов
Современные модели оснащены целым рядом дополнительных функций.
Основные из них:
- построить интерактивную карту помещения;
- уборка по графику;
- автоматический возврат в док-станцию для зарядки;
- управление смартфоном;
- функция «виртуальная стена».
Построение интерактивной карты помещения
Информация с оптических и других датчиков записывается в блок управления. И на основе создается условная карта помещения. То есть робот-пылесос буквально «запоминает», где находятся препятствия, стены, пороги.
Все это необходимо для того, чтобы последующая уборка прошла быстрее, а также чтобы снизить вероятность опрокидывания, столкновения со стенами.
Уборка по расписанию
Необязательно убирать дом каждый день. В большинстве случаев это делается 1-2 раза в неделю. А роботы-пылесосы позволяют составить график, по которому они будут автоматически убирать в доме.
Все это настраивается через мобильное приложение. Например, в роботах-пылесосах Xiaomi можно указать как периодичность (например, раз в 3 дня), так и задать расписание на несколько месяцев вперед.
Кроме того, также поддерживается синхронизация через Интернет.
Автоматический возврат на док-станцию для зарядки
В среднем роботы-пылесосы работают от батареи от 90 до 150 минут.
Этого может быть недостаточно для уборки всей комнаты. Поэтому в такие устройства обязательно встраивается контроллер уровня заряда. И как только остается менее 10-15% емкости аккумулятора, робот автоматически отправляется на док-станцию для зарядки.
Благодаря функции «интерактивная карта» техник точно понимает, где он находится.
По завершении зарядки очистка автоматически возобновится с того места, где она была остановлена. И все это без вмешательства человека.
Поэтому роботы-пылесосы компактны, им не нужна огромная аккумуляторная батарея, но они также подходят для уборки жилых помещений до 300 м2.
Управление со смартфона
На корпусе робота всего 3-4 кнопки для ручного управления. С их помощью можно установить режим очистки, принудительно отправить устройство на зарядку или выключить его.
Все остальные настройки задаются через фирменное мобильное приложение (ссылка на скачивание указана в технической документации).
В современных моделях по-прежнему доступна поддержка удаленного управления через Интернет. Это позволяет, например, разрешить уборку до незапланированного прибытия гостей.
Функция «виртуальная стена»
Сгенерированные данные интерактивной карты загружаются на смартфон владельца робота-пылесоса. А через него можно указать те зоны, в которых уборка производиться не будет.
Это полезно, например, для складывания горшков, размещенных в комнате вокруг пола, которые робот может опрокинуть или полностью перевернуть.
В большинстве роботов за эту функцию отвечают лазерные дальномеры.
В старых роботах-пылесосах эта функция была реализована немного иначе:
- Использование инфракрасных датчиков. Их поставили рядом с местом, где уборка невозможна.
- С магнитной лентой. В самом роботе установлен датчик, считывающий изменение магнитного поля. И когда он подошел к приклеенной к полу ленте, он повернул ее.
Что такое ИИ робота-пылесоса?
Чтобы понимать, что такое ИИ пылесоса, нужно понимать, как именно работают такие устройства. Внешне такие пылесосы представляют собой диск небольшой высоты и размеров. Передвижение робота выполняется за счет колес, определение местонахождения устройства выполняется при помощи датчиков, сенсоров, камер. Есть датчики, позволяющие определять препятствия, перепад высоты и прочие важные параметры поверхности. Роботы имеют ограниченный по объему пылесборник и батарею, рассчитанную на определенное время работы.
Пользователь программирует работу пылесоса, выбирая траекторию продвижения, график работы по времени. Далее все зависит от самого пылесоса, так как он должен выехать из базы, определить маршрут прохождения, избегать препятствий по определенному алгоритму, возвращаться на базу при окончании рабочего цикла, для подзарядки или сброса мусора. Чтобы человек не принимал активное участие в перечисленных процессах, пылесосы наделяются максимально эффективной системой управления. Самые лучшие такие системы называют искусственным интеллектом, хотя с научной точки зрения это название некорректно. ИИ в пылесосах ограничено функциями, которые должны выполнять устройства, и задачи, которые требуют в решении творчества и нестандартного подхода, определенно “не по зубам” роботам-пылесосам.
Как работает робот пылесос
Навигация
Благодаря навигационной системе, робот может ориентироваться в пространстве. Только от этой характеристики будет зависеть не только качество вымытых полов, но и то, будут ли они вымыты вовсе. Имеется 4 основных типа навигации:
- видеокамеры;
- датчики пылесоса;
- лазерное наведение;
- внешние датчики.
Датчики пылесоса
Каждый из этих способов имеет свои положительные и отрицательные стороны. Все навигационные типы работают в динамическом режиме, постоянно сканируя пространство и отмечая возможные перестановки для коррекции своего плана на уборку. Помимо этого, фиксируются и загрязнения, чтобы сначала приступить к чистке более загрязненных мест.
Перед препятствием робот немного притормаживает или останавливается, после чего соприкасается с ним и продолжает уборку вдоль шкафа или дивана.
Внешние датчики
Этот тип навигации схож с первым вариантом, за исключением того, что тут присутствует функция разделения помещения на несколько зон для максимально чистой и быстрой уборки. Зачастую применяются именно 2 датчика (маяка). Первый – для того чтобы сканировать пространство и определять свое местоположение в нем, а другой – для сканирования дальнейших целей.
Лазерная навигация
Этот тип навигации считается самым современным. Ее принцип заключается в том, что на устройстве устанавливаются специальные дальномеры, которые определяют расстояние и составляют карту помещения, которые представляются в виде прямых размеченных линий.
Видеокамеры
Зачастую камера устанавливается на самой высокой точке робота и сканирует все данные со стен, пола и т.д. Уборка у такого робота проводится сначала в одной комнате, а затем пылесос перемещается в другую. Передвижения осуществляются по прямым линиям. Помимо всего прочего, этот вид навигации может быть не только основным, но и дополнительным к другим вариантам.
Принцип работы робота-пылесоса
Что это такое и как работает
Это бытовой прибор, задача которого свести к минимуму участие человека в процессе уборки. Благодаря колесам и датчикам такие пылесосы самостоятельно передвигаются по помещению, обходя препятствия и собирая мусор. Продвинутые модели могут делать влажную уборку и транслировать на смартфон картинку с камеры, установленной на устройстве.
Основным функционалом робота-пылесоса является сухая уборка поддерживающего плана. До 90% мусора может быть собрано роботом, но для обеспечения полной чистоты все равно придется использовать швабру — пока что ни одна модель не может очищать помещения наравне с человеком. Но в любом случае с таким пылесосом убираться руками придется меньше.
3 Большое количество мебели
Уборка комнат, в которых расположено слишком много мебели, особенно стульев, может оказаться слишком сложной для роботов-пылесосов. Большое количество препятствий создает проблемы даже для моделей с лазерными или оптическими датчиками.
Дело в том, что даже самый компактный робот-пылесос представляет собой впечатляющих размеров «шайбу». Он просто не может пролезть между ножек стульев, да и кресло на колесах не позволит ему убраться под столом. Это может показаться странным, но дорогие роботы убираются не лучше. На их верхней крышке часто расположена башенка лидара, которая добавляет полтора-два сантиметра к высоте устройства. В результате оно просто не помешается под диван или шкаф, пространство под мебелью останется в нетронутом виде.
Если мебели много, быстрее, проще и качественнее убираться с помощью беспроводных моделей.
Робот-пылесос для сухой уборки
Устройства этого типа первыми появились на рынке умных технологий. Принцип работы робота-пылесоса очень похож на своего проводного аналога. Точно так же грязь и пыль улавливаются щеткой или аналогичным элементом конструкции. Собранная таким образом грязь попадает в мешок или контейнер с помощью воздушного потока и надежно там оседает. В конце уборки, как и в обычном пылесосе, емкость или мешок просто встряхивают. Следует отметить, что первые модели этого типа были ненамного меньше обычных моделей пылесосов, которыми пользуются многие из нас.
Что касается пылеуловителя, то их всего 2 вида — мешок и пластиковый контейнер. Пластиковый контейнер может прослужить намного дольше, чем мешок. Но чистить немного сложнее. Однако в моделях с пластиковой тарой есть сменные фильтры. Так что вы можете просто выбросить его и не беспокоиться о чистке.

Roomba 776, сухой вакуумный робот
Внешний вид и характеристики
Как выглядело устройство, пока мы его не разобрали:
Две металлические полоски — контакты для док-станции, через них пылесос заряжается
По данным производителя, робот мощностью 55 Вт позволяет убрать помещение площадью 250 квадратных метров за 2,5 часа. У него есть пульт и возможность управления, в том числе со смартфона, по Wi-Fi.
Одна из главных деталей робота, выделяющаяся сверху, — лазерный дальномер с моторчиком. За счет него пылесос создает карту местности для уборки.
Также во фронтальной части есть 4 датчика препятствия. Они срабатывают при легком прикосновении к чему-либо и дают команду пылесосу на изменение траектории. Это помогает роботу максимально аккуратно обходиться с домашней мебелью и плинтусами.
Здесь же расположены динамики, сообщающие о проблемах, с которыми сталкивается пылесос, или, например, о том, что ему пора на базу. Забавно, что через приложение сюда можно закачивать всевозможные голоса (как в навигаторах).
Впереди — два динамика, слева внизу — щеточки, которые собирают пыль вдоль стен
На правой (если смотреть сверху) части устройства расположен оптический датчик движения вдоль стен, чтобы при перемещении не задевать их. Выступающие щеточки при этом «подмахивают» пыль под основной валик.
В верхней части корпуса расположены две кнопки управления — включения/выключения и возврата на базу.
В нижней части устройства находится съемный контейнер. Он легко достается и чистится.
Здесь же расположены три колеса. Два из них — основные — оснащены отдельными моторами. Поэтому двигается пылесос, как танк, — затормаживается левое колесо — он поворачивается налево, правое — в другую сторону.
Последняя деталь в нижней части — диагностический microUSB-разъем под заглушкой, который служит исключительно для диагностики устройства в сервисном центре (не подключайте его к розетке).
Hoover RoboCom 3: базовый набор функций
У нас на тесте побывала базовая модель Hoover RoboCom 3 (RBC 040 019), которая имеет одну боковую щетку оснащена средним по емкости аккумулятором. Управлять роботом можно с помощью сенсорной панели на корпусе или через пульт ДУ.
На российском рынке также можно встретить модель, оснащенную модулем Wi-Fi, что дает возможность управлять аппаратом через мобильное приложение на смартфоне, и более емким аккумулятором (RBC090/1, более дорогая модель 2016 года).
Среди заявленных функций нашего тестового экземпляра — автоматическая уборка помещения, уборка заданной области с помощью указания нужной точки, ручное управление движением пылесоса с помощью пульта ДУ и программирование уборки на неделю.
Как перемещаются роботы-пылесосы?
Роботы-пылесосы автоматически перемещаются по пространству с помощью датчиков препятствий и обрывов. Датчики препятствий обычно расположены на бампере пылесоса и предназначены для обхода таких препятствий, как ножки стульев и столов, диваны, игрушки и все остальное на пути пылесоса. Роботы-пылесосы отклоняются от препятствий, когда срабатывают датчики препятствий. Они запрограммированы вращаться и двигаться вперед, пока устройство не найдет свободный путь. Направление движения робота-пылесоса определяется местом контакта бампера. Например, если пылесос обнаруживает препятствие на своем левом бампере, он перемещается вправо, чтобы избежать столкновения с объектом. Многие модели премиум-класса даже используют лазерные датчики, чтобы избегать объектов в темных комнатах.
Датчики перепада высоты действуют как механизм безопасности для роботов-пылесосов. Эти датчики сообщают пылесосам, когда они достигают, например края ступеньки. Датчики перепада высоты расположены в нижней части пылесоса. Они измеряют расстояние между пылесосом и полом, постоянно посылая инфракрасные сигналы на поверхность. Если сигнал не возвращается немедленно, пылесос определяет, что он достиг лестницы или крутого обрыва.
Большинство роботов-уборщиков используют датчики препятствий и обрывов, но некоторые модели премиум-класса также используют дополнительные датчики на стенах и колесах для более эффективной уборки. Как следует из названия, они могут обнаруживать стены и находить прямые линии, по которым могут следовать роботы-уборщики. Эти датчики позволяют пылесосу убирать по краям, где стена соприкасается с полом. Эти датчики расположены по бокам пылесоса, поэтому пылесос может равномерно собирать грязь из узких углов, не ударяя и не царапая стену. Эти датчики также позволяют уборщикам с картографическими способностями обнаруживать новые области для уборки.
Датчики колес отслеживают моменты вращения колес, поэтому роботы-уборщики могут анализировать пройденные расстояния и выполненные повороты. Эти датчики позволяют уборщикам знать свое точное местоположение, что дает им возможность лучше ориентироваться в пространстве.
Четырёхъядерный процессор.
Центральным процессором устройства является чип MR133 (ALLWINNER TECH). Это четырёхъядерный процессор ARM Cortex-A7 Quad Core (1,8 ГГц). Позиционное обозначение на плате MU6.

Данный процессор специально разработан для роботов-уборщиков. Выполнен в корпусе FBGA (413 шариков), процесс 28 нм;
К процессору MR133 посредством разъёма MJ3 подключена видеокамера (AW00V22 SUNNY 12016), которая необходима для построения карты помещения и обеспечения навигации.

С помощью данной камеры робот-пылесос шпионит, в том числе и за обитателями квартиры или дома.
Также рядом с процессором установлен чип оперативной памяти.
Как долго работает робот-пылесос
Возможность передвижения в пространстве
Для ориентации домашнего робота в помещении используется одна из следующих технологий:
- контактный датчик – при соприкосновении с объектами, робот получает сигнал и объезжает препятствие, выбирая при этом другое направление движения;
- ультразвуковой дальномер – робот сканирует пространство при помощи ультразвука, измеряя расстояние между собой и стоящими на пути предметами;
- виртуальная стена – эта технология позволяет ограничивать перемещение робота в пространстве, пользоваться этой опцией можно по мере необходимости;
- инфракрасный датчик – позволяет уборщику анализировать перепад высоты, система особенно актуальна для домов, оборудованных лестницами;
- лазерный дальномер – на основе полученной устройством информации создается карта, которая позволяет ему ориентироваться в помещении.
Современные модели имеют дополнительные датчики, которые постоянно сканируют пространство. С их помощью выявляются области повышенного загрязнения. Когда робот их обнаруживает, он устремляется к этим областям, чистит их дольше и интенсивнее.

Преимущества
Эти пылесосы экономят время на уборку (включая влажную), они компактны, могут забираться под диваны и шкафы, их можно включать по заранее настроенному расписанию — это позволяет поддерживать чистоту в квартире даже при длительном отсутствии (отпуск и пр.). У них нет дорогостоящих комплектующих, которые надо регулярно менять, а запчасти стоит относительно дешево.
Эксплуатация крайне проста, достаточно чистить щетки, опорожнять контейнер для мусора и доливать воду. Если в квартире много шерсти от домашних животных, то робот-пылесос хорошо с ней справится. При наличии соответствующей опции можно подключиться к камере устройства и увидеть, что происходит дома в отсутствие людей.
Из чего выбирать
Датчик LiDAR
LiDAR – это вращающийся лазерный дальномер. Его наличие легко распознать по башенке в верхней части робота. Датчик измеряет расстояние до предметов на пути пылесоса. Наличие лидара помогает построить максимально точную карту помещения, благодаря чему робот не бьется об углы и препятствия, убирает быстрее и оставляет минимум пропущенных зон.
GENIO Laser L800 с лидаром
Работа датчика не зависит от освещения: он одинаково эффективно сканирует пространство как днем, так и ночью, на открытой поверхности или под мебелью. Но у него могут возникать проблемы с отображением прозрачных или отражающих объектов: стекол, зеркал, хромированной мебели или легкого тюля.
Если вы не ищете недорогой робот-пылесос, лучше выбрать модель с лидаром.
У визуальной системы навигации также есть свои достоинства, об этом поговорим в следующем пункте.
Внешний вид и комплектация Xiaomi Mi Robot Vacuum Mop Global
В комплекте – все самое необходимое для эксплуатации устройства:
- зарядная станция с евровилкой (тип вилки зависит от региона, для которого предназначено изделие);
- боковая щетка и турбощетка;
- гребенка для чистки щетки;
- резервуар для воды и тряпочка;
- инструкция и гарантийник.
В плане дизайна робот выглядит просто отлично. У него нет выступающих частей сверху, за счет чего высота составляет всего 81.5 мм.
Верхняя крышка сделана из белого глянцевого пластика, а боковые поверхности – из матового. На крышке – кнопки включения и домой, а также навигационная камера.
Под ней – контейнер для пыли, емкость которого составляет 600 мл. В моем случае этого полностью достаточно для уборки двухкомнатной квартиры площадью 57 квадратных метров (37 метров за вычетом мебели). Контейнер за одну уборку, проводимую раз в 3 дня, заполняется процентов на 20.
Спереди – черная полоска, за которой находится 7 инфракрасных датчиков для определения препятствий.
На дне – датчики, позволяющие не свалиться с лестницы и датчик оптического потока, помогающий ориентироваться на коврах. Еще есть маленькая щеточка сбоку и большая турбощетка по центру.
Сюда же крепится и резервуар с водой.
Обратите внимание на колеса. Робот может преодолевать порожки высотой до двух сантиметров
Доступ ко всему, что требует обслуживания, а это щетки, резервуар с водой и контейнер для мусора, хорошо продуман. Они легко достаются и так же легко устанавливаются обратно.
Современное оснащение
Большинство поставляемых на рынок роботов-пылесосов ограничиваются стандартным набором кнопок для настройки и управления аппаратом. Наш подопытный в этом смысле прилично обошел конкурентов: на верхней стороне пылесоса имеется информационный ЖК-экран со светящимися символами и сенсорную панель управления. На экране пользователь может видеть состояние батареи и ее зарядки, отображение режима «Турбо», текущие настройки планирования уборки и индикатор подключенного пульта ДУ.
Робот-пылесос оснащен одной боковой 3-лепестковой щеткой для сбора пыли от правой стороны для чистки около мебели и плинтусов. В центре под корпусом сбором пыли занимается тандем из 4-пластинчатого силиконового вала и цилиндрической спиральной щетки.
По ходу движения робота пыль аккуратно сметается и засасывается в небольшой по размеру быстросъемный контейнер-пылесборник, оснащенный фильтром HEPA для защиты двигателя и очистки выбрасываемого воздуха.
На нижней части корпуса имеется доступ к батарее — чтобы ее снять достаточно отвинтить пару шурупов. Эта операция может потребоваться, если вы не планируете долгое время пользоваться аппаратом, например, уезжая из квартиры более, чем на 3 месяца. Извлечение аккумулятора позволит избежать полной его разрядки.


По периметру нижней поверхности и на боковых гранях расположены датчики оценки поверхности и движения. На верхней части корпуса имеются ИК-датчики препятствий и поиска базовой станции.
Пылесос комплектуется пультом ДУ, с помощью которого можно быстро настроить текущее время на устройстве, осуществить программирование запуска процесса уборки в течение недели, а также напрямую управлять пылесосом, как если бы вы это делали с радиоуправляемой машинкой.
Влажная уборка
Какие бывают роботы-пылесосы
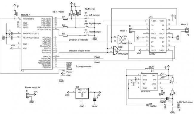
Схема простого робота-пылесоса на микроконтроллере

Питание схемы осуществлятеся от 6 вольтового аккумулятора. Управление осуществляется при помощи ШИМ сигналов который поступают на вход драйвера микросхемы L293D. Робот имеет 3 кнопки которые механически соеденины с “бамперами” робота на его корпусе.
Двигатели постоянного тока управляются при помощи драйвера шагового двигателя собранного на микросхеме LD293D. Внешний вид собранной печатной платы представлен на рисунке ниже.
В качестве корпуса робота подойдет какая нибудь пластиковая емкость в примере использовано ведерко
В качестве механики были использованы колеса и моторчики от игрушечного автомобиля вы можете использовать абсолутно любую механику все ограничено лишь вашей фантазией.
Всасывающая часто сделана на кортоном каркасе и всасывающего куллера в качестве фильтра выступает обычная салфетка.
Кнопки кнопки нажимаются при помощи “бамперов”
Прошивка робота пылесоса
Микросхема BQ24725A – контроллер заряда литиевой батареи. Это “умный” контроллер. Он имеет встроенную шину SMBus, посредством которой соединяется с системным процессором (HOST’ом). От него контроллер получает управляющие команды.
По шине SMBus передаётся такая информация, как уровень заряда аккумулятора, его температура, сообщения об ошибках, производится передача управляющих параметров и много чего ещё.
В микросхеме BQ24725A применена топология синхронного понижающего преобразователя, которая вместо внешнего диода Шоттки (асинхронная топология) использует встроенный MOSFET-транзистор. За счёт его применения снижаются потери и увеличивается КПД преобразователя.
На материнской плате робота-пылесоса контроллер BQ24725A имеет позиционное обозначение U43. Маркировка на корпусе микросхемы BQ25A. Корпус VQFN20.

Контроллер способен работать с батареей, в составе которой от 1-ой до 4-ёх аккумуляторных ячеек, включенных последовательно.
Общая схема включения микросхемы BQ24725A.

Микросхема оснащена такими функциями, как защита от перенапряжения (OVP) и перегрузки по току (OCP), защита от короткого замыкания аккумулятора, защита от замыкания в дросселе и пробоя MOSFET-транзисторов (FET Short).
Контроллер поддерживает автоматический выбор источника питания и может переключать питание с адаптера или аккумуляторной батареи. То есть по мере заряда аккумулятора, он будет уменьшать ток, потребляемый от адаптера питания.
Как видим по общей схеме напряжение на микросхему-контроллер подаётся с адаптера питания (Adapter). В данном случае адаптером является зарядная док-станция (charging dock), к которой подключается робот-пылесос.
Во время заряда на зарядных контактах док-станции формируется напряжение 20V, которое подаётся на вход контроллера заряда батареи.
Устройство зарядной док-станции было рассмотрено в отдельном материале: “Зарядная док-станция для робота-пылесоса Mi Robot Vacuum-Mop. Что внутри?”.
Микросхема, подобная BQ24725A есть в любом компьютерном устройстве с автономным питанием, например, в каждом ноутбуке.
Кроме контроллера заряда и микросхемы управления питанием на печатной плате моношасси имеются небольшие элементы в цепи питания, которые способны вызвать большие проблемы.
Первый из них это самовосстанавливающийся предохранитель (F1) с маркировкой 3324. Судя по всему, данный SMD-предохранитель защищает исполнительные элементы устройства, к которым относятся электродвигатели (основной и боковой щётки, двигатель турбины, двигатели правого и левого колеса).

По маркировке удалось определить полное наименование модели самовосстанавливающегося предохранителя, – SMD2920P330TF (Polytronics).
В случае неисправности данного предохранителя или по объективным причинам он может сработать и отключить робот-пылесос во время интенсивной уборки. Подробно об этом рассказано в материале «Ремонт робота-пылесоса Mi Robot Vacuum-Mop. Отключается сам».
Также проблемными элементами в цепях питания робота-пылесоса являются диоды Шоттки SS34. Расположены они недалеко от разъёма подключения зарядных контактов, которые установлены в донной части корпуса робота-пылесоса, обозначены, как D4, D5.

По неизвестным причинам один из диодов пробивает и робот-пылесос перестаёт заряжаться. Заезжает на базу док-станции и тут же съетакизжает с неё. Подробно об этой проблеме читайте здесь: «Ремонт робота-пылесоса Mi Robot Vacuum-Mop. Не заряжается».
Неподалёку от диодов Шоттки смонтирован супрессор, защищающий входную цепь. На плате он отмечен, как ED7. Подобные супрессоры имеются в разных частях материнской платы, а также на плате зарядной док-станции.
Итог: выбираем робот-пылесос с умом
-
Из трех типов умных пылесосов стоит выбрать комбинированные. Они выполняют больше функций. Если вам все же важнее чисто вымытые полы, остановите свой выбор на роботе-полотере.
-
Чем мощнее двигатель, тем лучше пылесос будет собирать пыль и мусор. По возможности сделайте выбор в пользу модели с тягой не менее 2000 Pa.
-
Про аккумулятор тоже забывать нельзя. Желательно, чтобы он был на 2500 мАч и выше.
-
Отдавайте предпочтение лазерной системе навигации — тогда с роботом будет меньше всего хлопот.
-
Чем вместительнее контейнеры для мусора и воды, тем реже их можно очищать.
-
Нужна ли вам турбощетка, решайте сами, но для чистки ковров она необходима.
-
Многие роботы-пылесосы довольно сильно шумят во время работы. Проверяйте их технические характеристики: у тихих устройств уровень шума не выше 50 дБ.
















